産品(pin)特點:
精密(mi)壓力表由(yóu)測壓系統(tong)、傳動機構(gou)、指示裝置(zhì)和外殼組(zu)成。精密壓(yā)力表的測(ce)壓彈性元(yuan)件經特殊(shu)工藝處理(li),使精密壓(yā)力表性能(neng)穩定可靠(kao),與高精度(du)的傳動機(jī)構配套調(diào)試後,能确(que)保精确的(de)指示精度(du)。
産品應用(yong):精密壓力(lì)表的工作(zuo)原理是:當(dang)被測介質(zhi)的壓力作(zuo)用于彈性(xing)元件後,使(shǐ)其産生彈(dàn)性變形-位(wei)移,經拉杆(gǎn)🛀帶動✂️傳動(dong)機構放大(da),由指示裝(zhuāng)置指示被(bèi)測壓力。
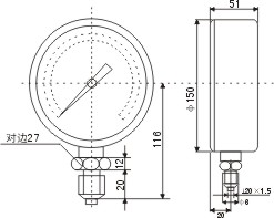
.jpg)
| 型号 | 彈(dàn)簧管材料(liào) | 測量範圍(wei)(MPa) | 精确等級(ji) | 結構特點(dian) |
| YB-150A | 錫磷青 銅(tóng)鉻釩鋼 | 0~0.1;0~0.16;0~0.25;0~0.4; 0~0.6;0~1;0~1.6; 0~2.5; 0~4;0~6;0~10;0~16; 0~25;0~40;0~60; | 0.4 | 鏡(jìng)面 |
| YB-150B | 0.25 | 鏡面調(diao)零 |
○使用環(huan)境條件:5~40℃,相(xiang)對濕度不(bú)大于80%,且環(huán)境震動和(he)壓力源的(de)💁波🈲動對儀(yí)表的精确(que)讀數無影(ying)響。
○溫(wēn)度影響:使(shi)用環境溫(wen)度如偏離(lí)20±3℃(A型)或20±2℃(B型)時(shi),則須考💋慮(lü)溫度附加(jiā)誤差0.4%/10℃
○重量:1kg(A型) 1.4kg(B型(xíng))


··
•·›