産品特點(diǎn):
金屬管浮子流(liú)表采用可變面(mian)積式測量原理(lǐ)生産研究,适用(yong)于測量液體,氣(qì)體。全金屬結構(gou),有指示型🈲、電遠(yuan)傳型、耐腐型、高(gao)壓型🙇♀️、夾套型、防(fáng)爆型。具有 0-10mA,4-20mA的标(biao)準模拟量信号(hào)輸出和現場指(zhi)示。累積,數字通(tong)訊,現場修改測(ce)量參數,不同的(de)供電方式功能(néng),帶有磁性過濾(lü)器和特殊規格(gé)品種。
産品應用(yòng):廣泛應用于,石(shi)油、化工、發電、制(zhi)藥、食品、水處理(li)等。複🔴雜,惡劣環(huán)境條件,及各種(zhǒng)介質條件的流(liú)量測量過程中(zhōng)。
.jpg)
ZY-LZ金屬管轉(zhuǎn)子流量計的傳(chuán)感器部分可采(cǎi)用不鏽鋼(1Crl8Ni9Ti)、钼二(èr)钛(316、316L),以及内襯聚(ju)四🥵氟乙🏒烯等材(cai)料,根據用戶要(yào)求也可用特殊(shū)材料制造,以适(shì)應腐☁️蝕性流體(ti)(如氯氣、鹽水、鹽(yán)酸、硝酸和🍓硫酸(suān)等)的流量測量(liang)。
ZY-LZ金屬管轉子流(liú)量計是采用可(kě)變面積式測量(liang)原理,用于連續(xù)測量封閉管道(dào)☎️中的液體和氣(qi)體的體積流量(liang)。具有結構堅固(gù)可靠、适用溫度(dù)範圍廣、精度高(gao)、價格便宜,能适(shi)用多種場合的(de)流量測量等特(te)點。本系列爲現(xian)場指示型,有下(xià)進上㊙️出、左進右(you)出和下進側出(chū)三種安裝形式(shi)。可廣泛适用于(yú)國防、化工、石油(you)、冶金、電力、環保(bao)、醫藥和輕工業(yè)等部門的液體(tǐ)、氣體流量測量(liang)。
電遠傳型金屬(shǔ)管浮子流量計(jì)輸出爲4~20mA标準電(dian)流信号,可與☔DDZ-II或(huo)DDZ-III電動單元組合(hé)儀表配套使用(yòng),也可直接輸出(chu)💜計算機系統,參(can)與系統的監控(kòng)。本儀表可根據(ju)用戶需求,加裝(zhuang)上下限🈲報警。
一(yī)、金屬管轉子流(liu)量計測量原理(li):
|
ZY-LZ金屬管轉子流(liu)量計的浮子垂(chui)直安裝在錐形(xíng)測量管内,由于(yú)流體的作用,它(ta)🐉可以👉在錐形管(guan)中上下自由移(yi)動,浮子的外緣(yuan)✨直徑🤞與錐形管(guan)形成的環形面(mian)積随着浮子位(wei)置的變化而變(biàn)化,當流體的💰流(liu)量穩定在某一(yi)數值時,浮子也(ye)在某一個位置(zhi)處于一種💜動平(ping)衡狀态,它與錐(zhuī)💚形管之間的環(huan)形面積也保持(chi)恒定,此時,浮子(zǐ)受到🐅三個力的(de)作🌂用:浮子向下(xià)的重🔞量W,向上的(de)浮力F和流體的(de)動力P,這三個力(lì)達到平衡。根據(ju)🐕流體動力學的(de)☀️柏努力方程,力(li)平衡👅方程和流(liú)體的連續性定(dìng)理,可以計算出(chu)流體通過環形(xing)面積的平均瞬(shun)時流量。 |
|
二、主要(yao)技術參數:
|
1、基型(xíng)金屬管轉子流(liú)量計: (1)測量範圍(wei):水(20℃) 2.5~150000L/h、 空氣(20℃,0.1013MPa)0.07~4000Nm3/h; (2)量程比(bǐ):10:1; (3)精度:1.5/2.5; (4)工作壓力(li):≤6.4MPa; (5)工作溫度:-40~350℃(氟塑(su)料襯裏-10~80℃); (6)環境溫(wēn)度:-20~80℃; (7)介質粘度:DN15≤5mPa.S、DN25~DN150≤250mPa.S; (8)管(guǎn)體材質:1Cr18Ni9Ti,316L,内襯PTEF等(děng); (9)過程連接:法蘭(lán),或按用戶提供(gong); (10)蒸汽夾套頭:法(fǎ)蘭:DN15/PN1.6,或按用戶提(tí)供。 |
2、帶遠傳金屬(shǔ)管轉子流量計(jì): (1)基本誤差:1.5%F.S; (2)輸出(chū)信号:4 ~ 20mA; (3)負載阻抗(kàng):350Ω; (4)電源電壓:24V DC; (5)環境(jing)溫度:-30 ~ 80℃; (6)出線口:M20×1.5; (7)防(fang)爆标志:ExibIICT4;
|
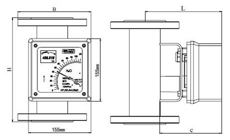
三、金屬(shǔ)管轉子流量計(jì)計外形尺寸圖(tu):
|
|
|
|
|
|
|
下進上出 |
防腐(fǔ)型 |
上進下出 |
下(xià)進側出 |
夾套型(xing) |
水平安裝 |
|
通徑(jing) (DN) |
L (mm) |
H (mm) |
B (mm) |
|
|
15 |
150 |
250 |
220 |
|
|
25 |
150 |
250 |
230 |
|
|
50 |
175 |
250 |
270 |
|
|
80 |
210 |
250 |
300 |
|
|
100 |
230 |
250 |
320 |
|
|
150 |
265 |
400 |
360 |
|
|
200 |
300 |
500 |
390 |
四、金屬管浮子(zǐ)流量計流量範(fan)圍表:
|
通徑(mm) |
流 量(liang) 範 圍 |
壓力損失(shī)kPa |
|||
|
水L/h |
空氣M3/h |
水 |
空氣(qì) |
||
|
常規型 |
防腐型(xing) |
常規型、防腐型(xíng) |
|||
|
DN15 |
2.5~25 |
--- |
0.07~0.7 |
6.5 |
7.1 |
|
4.0~40 |
2.5~25 |
0.11~1.1 |
6.5 |
7.2 |
|
|
6.3~63 |
4.0~40 |
0.18~1.8 |
6.6 |
7.3 |
|
|
10~100 |
6.3~63 |
0.28~2.8 |
6.6 |
7.5 |
|
|
16~160 |
10~100 |
0.40~4.0 |
6.8 |
8.0 |
|
|
25~250 |
16~160 |
0.7~7.0 |
7.2 |
10.8 |
|
|
40~400 |
25~250 |
1.0~10 |
8.6 |
10.0 |
|
|
63~630 |
40~400 |
1.6~16.0 |
11.1 |
14.0 |
|
|
DN25 |
100~1000 |
63~630 |
3~30 |
7.0 |
7.7 |
|
160~1600 |
100~1000 |
4.5~45 |
8.0 |
8.8 |
|
|
250~2500 |
160~1600 |
7~70 |
10.8 |
12.0 |
|
|
400~4000 |
250~2500 |
11~110 |
15.8 |
19.0 |
|
|
DN40 |
500~5000 |
--- |
12~120 |
10.8 |
9.8 |
|
600~6000 |
---- |
16~160 |
12.6 |
16.5 |
|
|
DN50 |
630~6300 |
400~4000 |
18~180 |
8.1 |
8.6 |
|
1000~10000 |
630~6300 |
25~250 |
11.0 |
10.4 |
|
|
1600~16000 |
1000~10000 |
40~400 |
17.0 |
15.5 |
|
|
DN80 |
2500~25000 |
1600~16000 |
60~600 |
8.1 |
12.9 |
|
4000~40000 |
2500~25000 |
80~800 |
9.5 |
18.5 |
|
|
DN100 |
6300~63000 |
4000~40000 |
100~1000 |
15.0 |
19.2 |
|
DN150 |
20000~100000 |
--- |
600~3000 |
19.2 |
20.3 |
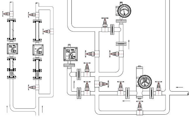
五、金屬管浮子(zǐ)流量計安裝示(shì)意圖:
六、金屬管(guan)轉子流量計選(xuǎn)型表:
|
ZY-LZ |
金屬管轉(zhuan)子流量計 |
||||||||||||||
|
口徑(jìng) (mm) |
15 |
DN15 |
80 |
DN80 |
|||||||||||
|
25 |
DN20 |
100 |
DN100 |
||||||||||||
|
40 |
DN40 |
150 |
DN150 |
||||||||||||
|
50 |
DN50 |
200 |
DN200 |
||||||||||||
|
結構形式 |
/ |
下進(jìn)上出 |
AA |
側進側出(chu) |
|||||||||||
|
H1 |
左進右出 |
LA |
低進(jìn)側出 |
||||||||||||
|
H2 |
右進左出(chū) |
S |
螺紋安裝 |
||||||||||||
|
M |
衛生(shēng)型快裝式 |
||||||||||||||
|
本體(tǐ)材質 |
R1 |
321不鏽鋼 |
RH |
哈(hā)氏合金C |
|||||||||||
|
R4 |
304不鏽鋼(gang) |
RT |
钛 |
||||||||||||
|
R6 |
316不鏽鋼 |
RF |
不鏽(xiu)鋼襯四氟 |
||||||||||||
|
指示(shì)器類型 |
7 |
指針顯(xiǎn)示瞬時流量 |
|||||||||||||
|
9 |
LCD顯(xian)示瞬時與累積(jī) |
||||||||||||||
|
供電及輸出信(xin)号 |
K |
4~20mA DC24V |
|||||||||||||
|
Z |
4~20mA DC24V+HART協議 |
||||||||||||||
|
D |
锂電池(chí)供電帶液晶表(biao)頭 |
||||||||||||||
|
報警輸出 |
/ |
無(wu)報警輸出 |
|||||||||||||
|
1 |
帶一(yī)個報警輸出 |
||||||||||||||
|
2 |
帶(dài)兩個報警輸出(chū) |
||||||||||||||
|
測量介質 |
L |
液體(ti) |
|||||||||||||
|
G |
氣體 |
||||||||||||||
|
附加選項(xiang) |
T |
測量管帶保溫(wēn)夾套 |
|||||||||||||
|
B |
防爆(ExII CT6) |
||||||||||||||


·•·