産品(pin)特點:
耐震膜片(pian)壓力表内部充(chong)灌阻尼液和配(pei)套緩沖裝🤩置,具(jù)有良⛱️好的耐震(zhèn)性能
産品應用(yong):膜片壓力表适(shì)用于測量無爆(bao)炸危險、不結晶(jing)、不凝固、有較高(gāo)💁粘度,但對銅和(he)銅合金無腐蝕(shí)作用的液體、氣(qi)🐪體或蒸汽的壓(ya)力。
.jpg)
一.産品(pin)概述
|
YPF系列膜片(pian)壓力表适用于(yú)測量具有一定(ding)腐蝕性、非凝固(gu)或非結☎️晶的各(gè)種流體介質的(de)壓力或負壓。膜(mó)片壓力表耐腐(fǔ)蝕性能取決于(yú)膜片材料。 |
|||||||||||||||||||||||||||||
| 二.結(jie)構原理 | |||||||||||||||||||||||||||||
|
膜片壓(ya)力表由測量系(xì)統(包括法蘭接(jiē)頭、波紋膜片)、傳(chuán)🏃♀️動指示機構(包(bāo)括連杆、齒輪傳(chuán)動機構、指針和(hé)度盤)和外殼(包(bao)括表殼和罩圈(quan))等組成。膜片壓(ya)力表外殼爲防(fáng)濺結構,具有較(jiào)好的密性,故能(neng)保護其内部機(jī)構免受污穢浸(jìn)入。 膜片壓力表(biǎo)的作用原理是(shi)基于彈性元件(jian)(測量系✨統上膜(mó)片㊙️)變形。膜片壓(yā)力表在被測介(jie)質的壓力作用(yong)下,迫使膜片産(chan)生⚽相應的彈性(xìng)變形---位移,借助(zhù)連杆組經🛀傳動(dong)機構的傳動并(bing)予放大,由固定(dìng)于齒輪上的指(zhi)針🌈逐将被測值(zhí)在度盤上指示(shì)出😍來。 |
|||||||||||||||||||||||||||||
| 三.主要技(jì)術指示 | |||||||||||||||||||||||||||||
|
精确度(dù)等級:2.5 四.産品型(xíng)号 |
|||||||||||||||||||||||||||||
|
|||||||||||||||||||||||||||||
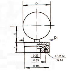
| 五.标(biāo)度範圍、外形尺(chi)寸及重量 | |||||||||||||||||||||||||||||
|
|||||||||||||||||||||||||||||
| *0~40、-40~0、±20KPa規格承壓(yā)部尺寸D1爲φ85 | |||||||||||||||||||||||||||||
| 六.導(dao)壓系統及外殼(ke)等主要零件的(de)材質 | |||||||||||||||||||||||||||||
|
|||||||||||||||||||||||||||||
|
|||||||||||||||||||||||||||||
|
|||||||||||||||||||||||||||||
|
|||||||||||||||||||||||||||||


• ··•
›
•